起重吊环上所采用的锻造合金钢均经过淬火和回火处理。
所有锻造件以及有头螺栓上都印有批次编号,以便于在品质认证说明书上进行检查核对。
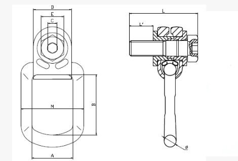
起重吊环均可360°全周旋转,且具有180°支点绕轴旋转功能。
螺栓为统一公制螺纹(ASME / ANSIB18.3.1 M),規格为满足DIN EN ISO4762标准的12.9级內六角合金角头螺栓。
验证荷载为工作荷载极限的2.5倍,且已经获得相关认证。
以1.5倍工作荷载极限的作用力进行20000次的疲劳极限测试。
垂直翻转达100%,限定量最大角度90度。
产品经100%磁粉探伤检验

产品编号 | 规格 | 工作载荷(T) | 尺寸(mm) | 自重(kg) | ||||||||
A | B | C | D | E | M | L | L. | Φ | ||||
HCQ18-01 | M8 | 0.3 | 35 | 52.5 | 6 | 30 | 13 | 45 | 46 | 10.4 | 14 | 0.300 |
HCQ18-02 | M10 | 0.63 | 35 | 52.5 | 6 | 30 | 17 | 45 | 52 | 15.4 | 14 | 0.380 |
HCQ18-03 | M12 | 1 | 40 | 54 | 8 | 36 | 19 | 68 | 62 | 18 | 18 | 0.860 |
HCQ18-04 | M14 | 1.2 | 40 | 54 | 8 | 36 | 19 | 68 | 66 | 21 | 18 | 0.890 |
HCQ18-05 | M16 | 1.5 | 40 | 54 | 8 | 36 | 19 | 68 | 70 | 24 | 18 | 0.900 |
HCQ18-06 | M18X26 | 2 | 54 | 80 | 12 | 50 | 30 | 83 | 83 | 26 | 16 | 1.153 |
HCQ18-07 | M20 | 2.5 | 54 | 80 | 12 | 50 | 30 | 83 | 88 | 30 | 16 | 1.158 |
HCQ18-08 | M20X55 | 2.5 | 54 | 80 | 12 | 50 | 30 | 83 | 113 | 55 | 16 | 1.240 |
HCQ18-09 | M20X60 | 2.5 | 54 | 80 | 12 | 50 | 30 | 83 | 118 | 60 | 16 | 1.250 |
HCQ18-10 | M24X35 | 4 | 54 | 94 | 14 | 50 | 36 | 83 | 95 | 35 | 18 | 1.370 |
HCQ18-11 | M24X40 | 4 | 54 | 94 | 14 | 50 | 36 | 83 | 100 | 40 | 18 | 1.390 |
HCQ18-12 | M24X60 | 4 | 54 | 94 | 14 | 50 | 36 | 83 | 120 | 60 | 18 | 1.460 |
HCQ18-13 | M27 | 4 | 73 | 106 | 17 | 68 | 41 | 120 | 120 | 38 | 27 | 4.650 |
HCQ18-14 | M30 | 5 | 73 | 106 | 17 | 68 | 41 | 120 | 132 | 48 | 27 | 4.890 |
HCQ18-15 | M30X70 | 5 | 73 | 106 | 17 | 68 | 41 | 120 | 154 | 70 | 27 | 5.000 |
HCQ18-16 | M36X54 | 7 | 73 | 106 | 17 | 68 | 41 | 120 | 142 | 54 | 27 | 5.100 |
HCQ18-17 | M36X70 | 7 | 73 | 106 | 17 | 68 | 41 | 120 | 158 | 70 | 27 | 5.300 |
HCQ18-18 | M36X62 | 8 | 94 | 140.5 | 22 | 86 | 55 | 156 | 163 | 62 | 31 | 8.450 |
HCQ18-19 | M42X72 | 10 | 94 | 140.5 | 24 | 86 | 65 | 156 | 176 | 72 | 31 | 9.010 |
HCQ18-20 | M42X63 | 15 | 104 | 155 | 24 | 95 | 65 | 176 | 179 | 63 | 40 | 13.600 |
HCQ18-21 | M48X74 | 20 | 104 | 155 | 27 | 95 | 75 | 176 | 194 | 74 | 40 | |